Ammoniumuraat - Stekels
Synoniemen: Ammoniumbiuraat, Biuraat, Thorn apples, C₅H₇N₅O₃
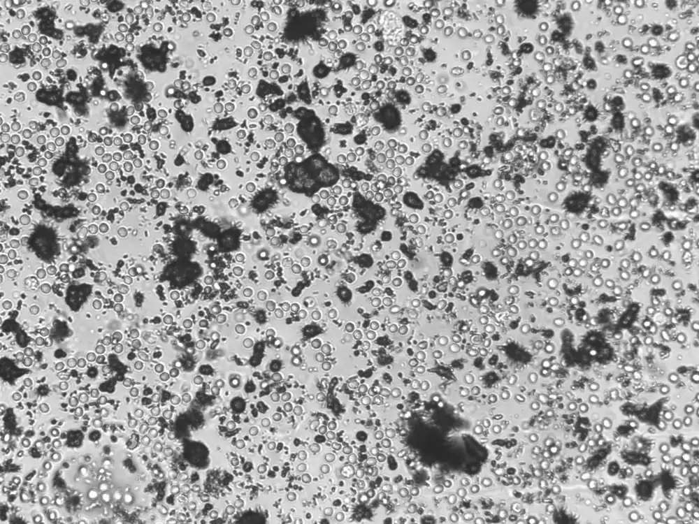
Ammoniumuraatkristallen zijn zeldzame kristallen die voorkomen in alkalische of neutrale urine, meestal bij aanwezigheid van ammoniak, geproduceerd door urease-producerende bacteriën zoals Proteus of Ureaplasma. Ze hebben een kenmerkend uiterlijk: geel- tot bruingekleurde, bolvormige structuren met stekelige uitsteeksels (“doornen”). Deze kristallen ontstaan vaak in urine die langdurig heeft gestaan, of in urine met een hoog ammoniakgehalte, bijvoorbeeld bij een urineweginfectie. Ze vertonen sterke birefringentie onder gepolariseerd licht, maar zijn klinisch meestal van geringe betekenis. Visueel kunnen ze worden verward met onder andere leucinekristallen, die eveneens geelbruin zijn, maar een radiaal, concentrisch patroon vertonen zonder uitsteeksels.
Individueel



Overzicht

Techniek



Galerij
